0755-23736280

地 址:深圳市光明區玉塘街道光僑大道1028號匯東晟工業園1棟9樓
電 話:0755-23736280 ?
0755-23736281
技術支持:0755-82778786
傳 真:0755-26746512
郵箱:sales@mchlight.com
產品名稱 : 532nm在線式可調保偏光纖衰減器
產品型號:MCPMVOA-532-L-P46-10-L-FA
工作波長: 532nm
功率 : 100mW
光纖類型 : PM460-HP

|
產品特點
|
應用領域
|
|
寬波長工作范圍
|
光纖激光器、光纖放大器
|
|
高穩定性和可靠性
|
光纖傳感
|
|
結構緊湊
|
光纖通信/儀器儀表
|
|
參數
|
單位
|
數值
|
|
中心波長
|
nm
|
532
|
|
工作帶寬
|
nm
|
±20
|
|
最大附加損耗
|
dB
|
1.5
|
|
最大衰減量
|
dB
|
40
|
|
最小消光比
|
dB
|
18
|
|
回波損耗
|
dB
|
50
|
|
承受功率 CW
|
mW
|
100
|
|
光纖類型
|
-
|
PM460或其它
|
|
光纖長度
|
m
|
1或其它
|
|
連接頭類型
|
-
|
FC/APC或者其它
|
|
最大拉力
|
N
|
5
|
|
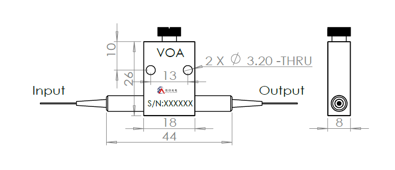
封裝尺寸
|
mm
|
26x18X8
|
|
工作溫度
|
℃
|
-5~+70
|
|
儲存溫度
|
℃
|
-40~+85
|

|
MCPMVOA
|
①
|
②
|
③
|
④
|
⑤
|
⑥
|
|
工作波長
|
承受功率
|
光纖類型
|
尾纖長度
|
尾套類型
|
連接頭類型
|
|
|
532-532nmL-<0.5W
S-其它 |
P46-PM460
|
08-0.8m
10-1.0m
15-1.5m
S-其它
|
B-250um裸纖
L-900um套管
S-其它
|
N-None
FP-FC/PC
FA-FC/APC
S-其它
|