0755-23736280

地 址:深圳市光明區玉塘街道光僑大道1028號匯東晟工業園1棟9樓
電 話:0755-23736280 ?
0755-23736281
技術支持:0755-82778786
傳 真:0755-26746512
郵箱:sales@mchlight.com
產品名稱 : 1550nm高功率保偏光纖環行器
產品型號:MCHPCIR-1550-10-P-10-F-P15D-10-L-N
工作波長:1310nm 1480nm 1550nm
功率 : 1W 2W 5W 10W 20W 30W
光纖類型 : PM1550-XP, PM-GDF-12/130-M,PM-GDF-25/300或其它

|
產品特點
|
應用領域
|
|
低插入損耗
|
光纖激光器
|
|
高隔離度/高消光比
|
光纖放大器
|
|
高承受功率
|
光纖傳感/相干通信
|
|
參數
|
單位
|
數值
|
|
中心波長
|
nm
|
1550
|
|
工作波長范圍
|
nm
|
±15
|
|
隔離度 (min)
|
dB
|
28
|
|
插入損耗(Type)
|
dB
|
0.6
|
|
插入損耗 (max)
|
dB
|
0.8
|
|
消光比(min)
|
dB
|
18(Type B), 20(Type F)
|
|
承受光功率
|
W
|
10, 20, 30
|
|
峰值功率(脈沖)
|
KW
|
1 5 10 20可選
|
|
工作軸
|
-
|
單軸工作or雙軸工作
|
|
串擾(min)
|
dB
|
50
|
|
回波損耗(min)
|
dB
|
45
|
|
光纖類型
|
-
|
PM1550-XP, PM-GDF-12/130-M,PM-GDF-25/300或其它
|
|
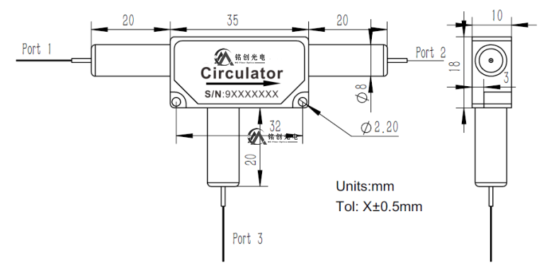
封裝尺寸
|
mm
|
20x15x8or35x18x10
|
|
工作溫度
|
℃
|
0~+60
|
|
存儲溫度
|
℃
|
-10~+75
|



|
MCHPCIR
|
①
|
②
|
③
|
④
|
⑤
|
⑥
|
⑦
|
⑧
|
|
工作波長
|
功率大小
|
功率類型
|
峰值功率
|
工作軸
|
光纖類型
|
尾纖長度
|
尾套類型
|
|
|
1550-1550nm
|
5-5W
10-10W
20-20W
30-30W
|
P-脈沖
C-連續
|
0-連續光
10-10KW
20-20KW
|
B-雙軸工作
S-慢軸截止
F-快軸截止
|
P15-PM1550
P15D-PM-GDF-1550
|
08-0.8m
10-1.0m
15-1.5m
S-其它
|
B-250um裸纖
L-900um套管
S-其它
|